Íâ¹Û£º?3
²úÆ·ÌØÕ÷£ºµÍ¹¦ºÄ ¸ß¿É¿¿ÐÔ Ò»ÖÂÐÔ¸ß
¹âµçÁ÷£ºVDD=5V, EV=10Lux 40-60uA
·åÖµ¸Ð¹â²¨³¤£º520nm
¹¦ºÄ£º70mW
Ìæ»»¹Å°å¹âÃôµç×è (CDS)£¬²»º¬ïÓ¡¢Ç¦µÈÓк¦ÎïÖÊ£¬ÇкÏÅ·ÃË ROHS±ê×¼
×Ô¶¯µ÷ÀíÅä¾°¹â£¬Èç LCD£¬ÊÖ»ú£¬ÕÕÏà»ú£¬µçÄÔÉãÏñÍ·µÈ
ÊÊÓÃÓÚÖÖÖÖ¹â¿ØÕÕÃ÷²úÆ·ºÍ¹â¿ØÍæ¾ß£ºÈçСҹµÆµÈ
·åÖµ¸Ð¹â²¨³¤520nm
µÍ¹¦ºÄ
¸ß¿É¿¿ÐÔ
ÅúÁ¿Ò»ÖÂÐԺã¬ÍêÈ«½â¾öµÆÆð¶¯¹ýÔç»òÒ»ÖÂÐÔÇ·ºÃµÈÏÖÏñ
ÏìÓ¦ËÙÂʿ죬ÐÔÄÜÎȹ̣¬+85¡æ¸ßÎÂ/65%¸ßʪÌõ¼þÏÂÀÏ»¯1000HÆð¶¯µã²»Æ¯ÒÆ
¿É°´ÒªÇóÌṩ²î±ðÍâÐͳߴ磬Àû±ã×°ÖÃÓÚ²úÆ·µÄÈκÎλÖÃ
1.×î´ó¶î¶¨Öµ£¨Ta=25¡æ£©
²ÎÊýÃû³Æ ·ûºÅ ¶î¶¨Öµ µ¥Î» ¼¯µç¼«-·¢É伫µçѹ VCEO 2-20 V ·¢É伫-¼¯µç¼«µçѹ VCEO 5 V ¹¦ºÄ Pc 70 mW ÊÂÇéÎÂ¶È Topr -30~+85 ¡æ Öü´æÎÂ¶È Tstg -30~+85 ¡æ
2.¹âµçÌØÕ÷£¨Ta=25¡æ£©
²ÎÊýÃû³Æ ·ûºÅ ²âÊÔÌõ¼þ ×îСֵ µä·¶Öµ ×î´óÖµ µ¥Î» ¹âµçÁ÷ IL(1) VDD=5V,EV=10LUX 40 50 60 ¦ÌA IL(2) VDD=5V,EV=50LUX 250 ¦ÌA IL(3) VDD=5V,EV=100LUX 450 ¦ÌA °µµçÁ÷ ICEO VDD=5V,EV=0LUX 0.2 ¦ÌA ¸Ð¹â·åÖµ²¨³¤ ¦Ëp 520 nm ¸Ð¹â²¨³¤¹æÄ£ ¦Ëd nm ¼¯µç¼«-·¢É伫µçѹ Bvceo IC=100uA Ee=0mW/cm2 70 v ·¢É伫-¼¯µç¼«µçѹ Bveco IE=10uA Ee=0mW/cm2 30 v ¼¯µç¼«·¢É伫±¥ºÍµçѹ Vce(sat) IC=2mA Ee=1mW/cm2 0.4 v ÏìӦʱ¼ä ¿ªÆôʱ¼ä TR VCE=5V,IC=1mA RL=10K¦¸ 10 ¦Ìs ¹Ø±Õʱ¼ä TR 15
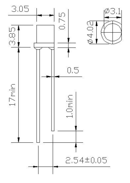
²úÆ·³ß´çͼ

×¢£º
³¤½ÅÕý¼«£¨¼¯µç¼«£© ¶Ì½Å¸º¼«£¨·¢É伫£©
ËùÓгߴçΪºÁÃ×£¨mm£©, δָ¶¨¹«²îΪ£º¡À0.15mm
½ºÌåÍâ¹ÛÑÕÉ«ÒÔÑùƷʵÎïΪ׼
½ºÌåÏÂ͹ԵŒ_³öÊ÷Ö¬×î´óΪ1.0mm
